BF 20/25 ES

La comandă!

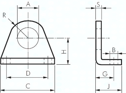
BF20/25ES Fußwinkel für 20 und 25mm ISO 6432-Zylinder, 1.4301

138,17 RON

Prețul conține TVA!