NXB 50

La comandă!

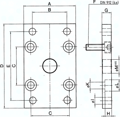
Werkstoffe: Stahl verzinkt Lieferumfang: 1 Stk. Flanschplatte inkl. 4 Befestigungsschrauben

287,85 RON

Prețul conține TVA!