TA 160

La comandă!

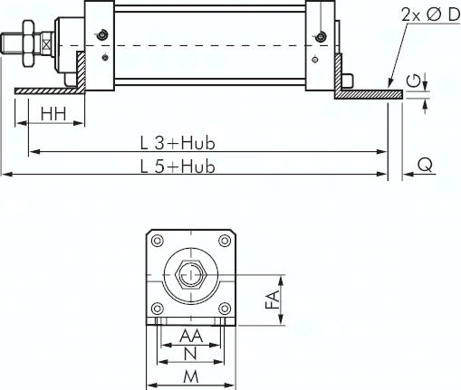
Lieferumfang: 1 Befestigungswinkel, inkl. 2 Befestigungsschrauben

964,75 RON

Prețul conține TVA!