TL 40/50

La comandă!

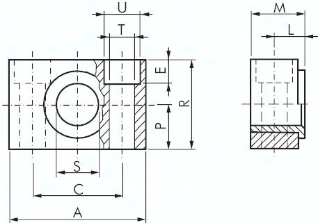
Werkstoffe: Lagerbuchse: Bronze gesintert (Typ 1.4401: PTFE) Lieferumfang: 2 Lagerböcke

755,68 RON

Prețul conține TVA!