TL 63/80 ES

La comandă!

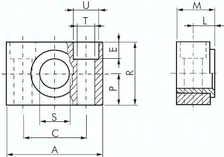
Werkstoffe: Lagerbuchse: Bronze gesintert (Typ 1.4401: PTFE) Lieferumfang: 2 Lagerböcke

2.739,12 RON

Prețul conține TVA!