TG 200

La comandă!

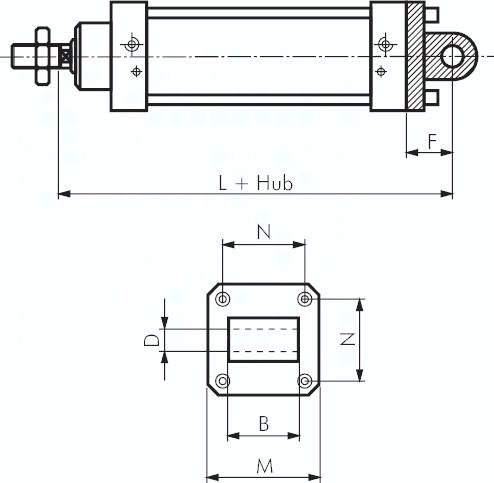
Lieferumfang: 1 Stk. Schwenkbefestigung, inkl. 4 Befestigungsschrauben

2.025,01 RON

Prețul conține TVA!