TE 63
La comandă!
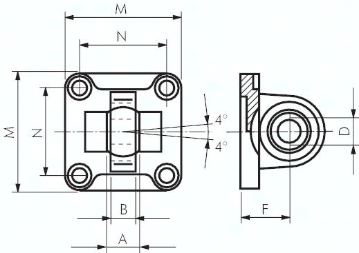
Lieferumfang: 1 Stk. Schwenkbefestigung, inkl. 4 Befestigungsschrauben Achtung: Nur Bolzen Typ FFQ für die Verbindung zu Typ TQ verwenden!
TE 63
La comandă!
Lieferumfang: 1 Stk. Schwenkbefestigung, inkl. 4 Befestigungsschrauben Achtung: Nur Bolzen Typ FFQ für die Verbindung zu Typ TQ verwenden!